网站首页
公司介绍
企业介绍
组织架构
企业荣誉
领导关怀
新闻动态
公司新闻
政策要闻
党建工作
组织架构
党建阵地
党群活动
工青妇
荣誉鼓励
信息公开
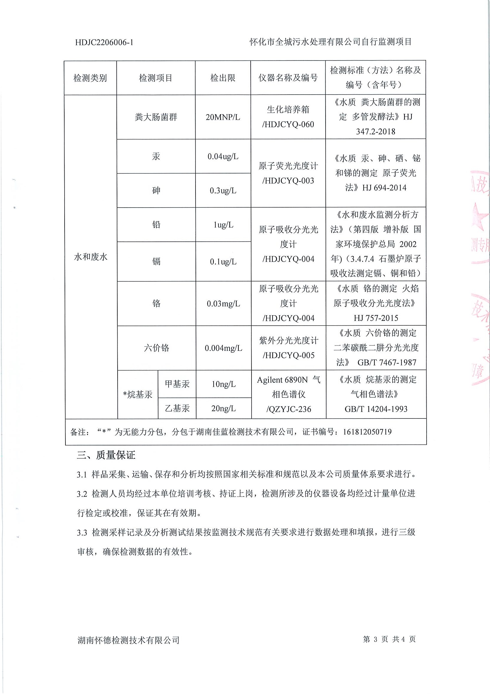
水质检测报告
环境信息公开
职位招聘
通知公告
乐竞(中国)一站式体育服务
电话地址
意见箱
总经理信箱
怀德检测 2022年6月 污水检测报告
2022-07-04 11:33:57
上一篇:
湖南怀德检测技术有限公司 2025年10月 出水水质检测报告
下一篇:
怀德检测 2022年5月 污水检测报告
乐动在线
|
米兰体育网页版登录界面中国有限公司
|
新利·体育(中国)官方网站
|
开云官方网页版
|
milan体育入口
|
多宝手机网页版登录入口
|
九游官方网站
|
乐动在线
|
安博在线登录官网
|